主存储器
主存储器处于全机中心地位
主要技术指标
- 字(存储字):计算机可寻址的最小单位。一个字可以由若干字节组成。
- 字长:一个存储字所包括的二进制位数。
- 一个字节(Byte)为8个二进制位(bit)。
- 容量:以字或字节为单位来表示主存储器存储单元的总数。
地址码的位数决定了主存储器的可直接寻址的最大空间。 - 存储器存取时间(Memory Access Time):启动一次存储器操作到完成该操作所经历的时间。
- 存储周期(Memory Cycle Time):连续启动两次独立的存储器操作(例如连续两次读操作)所需间隔的最小时间。
存储周期略大于存取时间。
基本操作

- 读操作:存储器 -> CPU CPU把信息字的地址送到AR,经地址总线送往主存储器;CPU发读(Read)命令,CPU等待主存储器的Ready回答信号,Ready为 1,表示信息已读出经数据总线,送入DR。
- 写操作:CPU -> 存储器 CPU把信息字的地址送到AR,经地址总线送往主存储器,并将信息字送往DR;CPU发写(Write)命令;CPU等待主存储器的Ready回答信号,Ready为 1,表示信息已从DR经数据总线写入主存储器。
读/写存储器
按存储元件在运行中能否长时间保存信息分为静态存储器和动态存储器两种
- 静态存储器 SRAM:利用双稳态触发器来保存信息,只要不断电,信息就不会丢失
- 动态存储器 DRAM:利用MOS电容存储电荷来保存信息,使用时需不断给电容充电才能使信息保持
静态存储器的集成度低,功耗较大;动态存储器的集成度高,功耗小,主要用于大容量存储器(主存)
DRAM必须在电荷漏掉以前就进行充电,这一充电过程称为再生,或称为刷新。再生一般应在小于或等于2ms时间内进行一次。
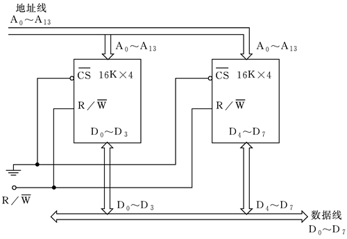
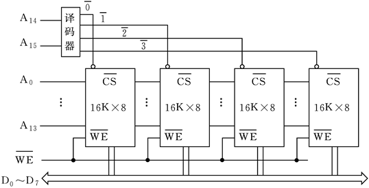
容量扩展
位扩展:多个存储器芯片对字长进行扩展

字扩展:增加存储器中字的数量

字位扩展:

